Rozsdamentes görgők szállítóeszközökhöz 100mm, fékkel,Talplemezzel, 8477UFX100P62 LW46 szürke
Kód: 00035511Kapcsolódó termékek
Termék részletes leírása
Önbeálló görgő totálfékkel, fékpedál a menetiránnyal ellentétesen,
Rozsdamentes ház, dupla golyósoros csapágy a nyakban, csavarozott
tengely, talplemezes rögzítés. Poliamid keréktárcsa, szürke, nyommentes
elasztikus gumi futófelület, kisméretű szálvédő, tömített precíziós
golyóscsapágy
Kiegészítő paraméterek
| Kategória: | Rozsdamentes görgők szállítóeszközökhöz |
|---|---|
| Súly: | 1.014 kg |
| Dinamikus terhelhetőség: | 160 kg |
| Kerékátmérő: | 100 mm |
| Teljes magasság: | 128 mm |
| Kerékszélesség: | 34 mm |
| Görgő szélessége: | 75 mm |
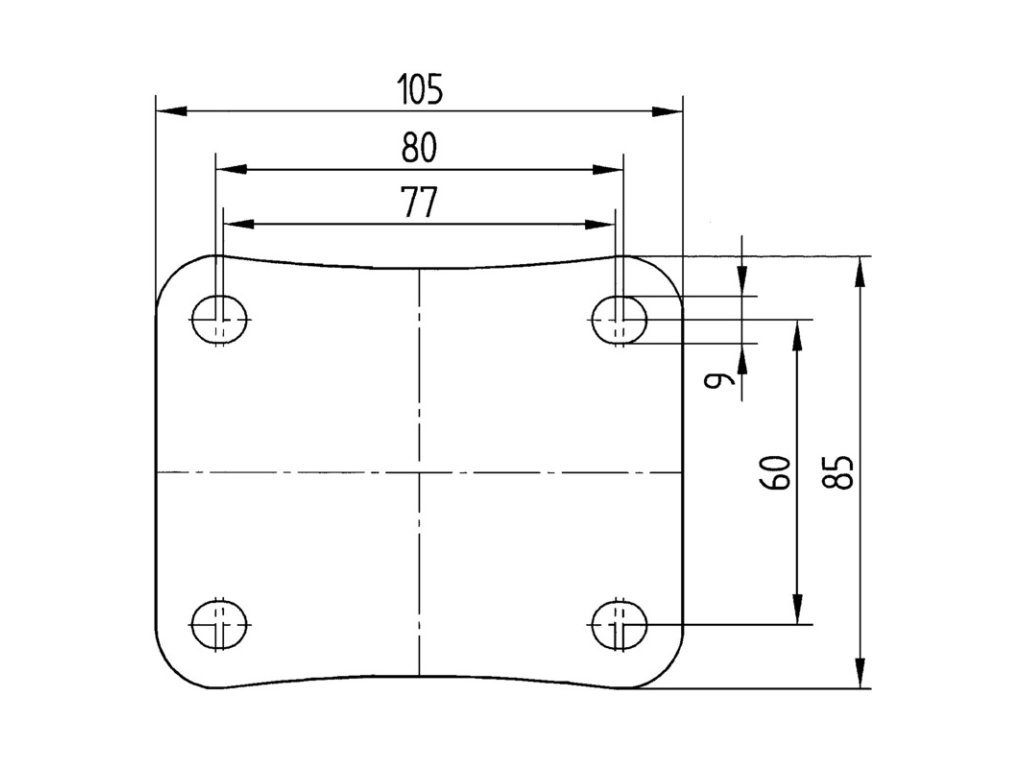
| Talplemez mérete: | 105 x 85 mm |
| Talplemez furatok távolsága: | 80/77 x 60 mm |
| Furat: | 9 mm |
| Nyakátmérő: | 75 mm |
| Utánfutás: | 41 mm |
| Körbeforgás: | 246 mm |
| Hőtartomány: | - 20 / + 80 °C |
| Szabvány: | EN 12532 |
| Fordulókör sugara: | 123 mm |
| Futófelület keménysége: | Shore A 63 |
| Statikus teherbírás: | 320 kg |
Beszélgetés
Legyen az első, aki véleményt ír ehhez a tételhez!
